當前,數據中心機房通常由雙路市電加柴油發電系統組成供電電源的基礎架構。柴油發電機作為數據中心用電設備的備用電源,為數據中心不間斷供電提供了可靠性保障。隨著“新基建”的蓬勃發展,數據中心進入了快速發展期,而區域電力能源不足成為制約數據中心發展的重要因素。某些地區即使完成前期數據中心能耗審批并建設完工,進入運行階段后也存在短時區域性電力負荷缺口。數據中心作為能耗大戶,在供電緊張的情況下,存在被電力部門要求限電降容的可能。
本文通過對數據中心柴油發電機組與市電常用組網方式的分析,結合柴油發電機組運行、維護數據中心外部供電的現狀,在目前運行維護的基礎上,提出一種柴油發電系統與市電并網使用的技術方案,為提升數據中心柴油發電機組設備利用率與資源價值,提供一種可行性方案。
數據中心典型高壓供電架構
《數據中心設計規范》(GB50174—2017)規定:A級數據中心應由雙重電源供電,并應設置備用電源。備用電源宜采用獨立于正常電源的柴油發電機組,也可采用供電網絡中獨立于正常電源的專用饋電線路。當正常電源發生故障時,備用電源應能承擔數據中心正常運行所需要的用電負荷。
當前,國內數據中心無論機房外部市電電壓等級為多少,機房內部的高壓配電系統基本以2N架構的10KV系統為主,且隨著信息技術的發展,數據中心容量規模也越來越大,大型數據中心基本配置高壓柴油發電機作為備用電源。其中典型架構如圖1所示。

圖1 供配電系統典型架構
在上述供配電系統架構中,為避免日常狀態下備用電源啟用對電網的影響,通常對市電電源與備用柴油發電電源進行邏輯與機械互鎖的設計,形成“2N+1”的兩路市電主用電源與柴油發電機系統備用電源供電架構,此架構的穩定性、可用性較高,在當前數據中心建設中廣泛使用。
典型供電架構分析
典型10KV供電架構
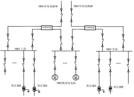
某數據中心高壓供電架構如圖2所示,該數據中心機房側10KV高壓系統為單母線分段,之間不設母聯斷路器,低壓系統配置母聯斷路器,柴油發電系統由10臺高壓機組組成,與兩路市電形成“或”的關系,即在兩路市電都停電的情況下,柴油發電機系統啟動并給負載供電。柴油發電系統與兩路10KV線路之間設置電氣和機械互鎖,防止柴油發電系統與市電系統同時供電造成的不良后果。

圖2 某數據中心高壓供電架構
從設備運行穩定性、可靠性的角度考量,10KV高壓“2N+1”供電架構無疑是當前數據中心建設的最優選擇。但從基礎配套運維,特別是柴油發電機日常及周期維保的要求來看,存在一些執行問題。
柴油發電帶載測試出現的問題
數據中心柴油發電機帶載測試時,存在重要業務機房的供電安全問題,這一直是運維人員頭頂懸著的“一把劍”。筆者認為,這是供配電架構、市電與柴油發電機切換邏輯、不間斷電源蓄電池后備保障時長等因素決定的。
《數據中心設計規范》(GB50174—2017)規定,2N系統的兩路市電與柴油發電機為主備關系,一般市電與柴油發電機的邏輯關系為當兩路市電都停電時,柴油發電機啟動對后端負載進行供電保障。因控制邏輯判斷、信號接收、斷路器分合閘動作等時延因素,在市電切換柴油發電機的過程中,存在幾十秒甚至數分鐘的時間差。在某數據中心實測,10KV高壓ATS切換系統市電停電切換至柴油發電機供電用時約19秒;市電來電恢復,柴油發電機切換至市電用時約16秒。在市電與柴油發電機相互切換的停電過程中,負載業務的供電由交流或直流不間斷電源的后備蓄電池進行保障。《數據中心設計規范》(GB50174—2017)規定,當以柴油發電機為后備電源時,A級數據中心蓄電池最少備用時間為15分鐘。理論上不間斷電源蓄電池的后備保障時長,足以保障市電與柴油發電機的切換時間。
眾所周知,蓄電池是通過內部化學反應的方式進行充放電,其為一個極不穩定的故障點。在筆者多年的電源維護工作經歷中,曾遇到過上個月剛做完全蓄電池容量測試且數據顯示電池組放電性能良好,次月在柴油發電機帶載應急演練市電、柴油發電機切換過程中,部分電池組中因個別單體電池故障,影響后端業務供電正常的情況。個人認為此種情況并非個例,特別是在蓄電池組接近報廢年限的不間斷供電系統中,問題尤為突出。因此,數據中心機房柴油發電機帶負載運行給運維人員帶來的壓力可想而知。
通常的解決方案
為避免上述情況的發生,目前國內通常的做法是在數據中心建設初期,配置一套假負載裝置,以供后期運維油機帶載測試。此方法對小型數據中心而言比較適用,但大中型數據中心容量較大,一般都配置10多臺甚至數十臺高功率柴油發電機進行并機,以滿足后端負載供電;而假負載裝置的容量一般僅能滿足單臺油機滿負載帶載測試,無法滿足柴油發電機整個并機系統的滿負載測試,因而達不到測試要求。此外,與真實負載存在變化與波動相比,假負載的電能性質及負載容量比較穩定,因此,假負載帶載測試無法真實測試數據中心柴油發電系統是否滿足供電要求。
優化解決方案
柴油發電機組對于電網而言,相當于一個分布式電源,分布式電源接入配電網會產生潮流、電壓、繼電保護動作等變化。柴油發電機組與電網電源并網運行,需要滿足3個條件,即電源頻率、電壓幅值、相位相同。在并網運行時,需要一套系統控制有功、電壓等參數。同期裝置是一種在電力系統執行并網時使用的監視、指示、控制設備,它可以檢測并網點兩側的電源頻率、電壓幅值、相位是否達到同期條件,其操作方式有手動并網和自動并網兩種。
為加強數據中心供電架構運維的可靠、可用性能,筆者根據對某數據中心現網高壓供電架構的調研及分析,提出一種優化方案,其架構如圖3所示。

圖3 某數據中心現網高壓供電優化架構
取消原有供電架構的市電進線與發電機組之間的聯鎖裝置,保留原有的操作機制,同時在原有設備基礎上增加同期裝置,以實現柴油發電機與市電電源并網供電。
在正常情況下,由兩路高壓市電分別供電;當兩路市電同時停電時,柴油發電機啟動給后端負載供電。上述兩種情況同期裝置為無壓供電模式,即單路電源供電。當需進行油機帶載測試或應急演練時,手動啟動柴油發電機組通過1段或2段同期裝置進行同期手動并網。在該設計方案中,柴油發電系統只針對其中某一路市電進行并網,不設置同時跟蹤兩路市電進行并網操作。
優點與效益
采用同期裝置可以根據需求設置柴油發電機與某單路市電同步實現并網。柴油發電機組可以根據數據中心運維及業務需求,啟動為后端負載供電進行帶載測試。加裝同期裝置后可在市電不斷電的情況下,啟動柴油發電機組進行同期并網并給后端供電,實現了市電、柴油機發電無縫切換,避免了相互切換間隙需通過蓄電池供電,提高了數據中心整個供電系統的可靠性及柴油發電系統的可用性。同時,給后期運維工作帶來便利并降低故障風險。
《數據中心設計規范》(GB50174-2017)規定,A級數據中心燃油存儲量需滿足12小時使用。通常情況下,大中型數據中心都建有大容量儲油罐,以保證柴油能滿足長時間停電的用量。但國內絕大部分數據中心兩路市電同時不可用率極低,即啟動柴油發電機供電保障時間不多,導致儲油罐中柴油存儲時間過長,據業內對長期存放柴油的調查,其處理方式通常有兩種:每隔2~3年對柴油進行專業的過濾清洗,以達到柴油油品合格標準;或是每隔3~5年用新柴油替換陳舊柴油。
上述兩種處置方案都存在產生高昂額外費用及浪費能源的情況。通過增加同期裝置對供電架構進行優化后,可有計劃性地啟動柴油發電機組進行手動并網,實現柴油能源的合理消耗、利舊,變廢為寶。數據中心可結合自身運維需求,在保障安全的前提下,配合供電部門在區域用電高峰期,啟動柴油發電機電源與單路市電并網保障負荷需求,同時參與供電保障。
上述數據中心市電與柴油機發電并網供電架構,是實踐過程中的一種設想、嘗試與參考。數據中心內市電電源與柴油發電機電源相互聯鎖的供電架構模式,在當前數據中心相關從業人員中已深入人心。筆者認為,在當前信息化發展迅速的時代,數據中心基礎配套從業人員應該擁抱變化,為數據中心供電系統安全穩定運行積極拓展新思路。